고객지원

안녕하세요~
오늘은 산업용 공장등에서 많이 사용하시는
유닛히터에 대해 알려드릴게요
Unit heater, 유닛히터, 유니트히터등
영어라 보니 여러가지로 불리고 있는데 다같은 제품입니다^^
이에스의 유닛히터는 어떤 산업현장에도 광범위하게 선택할 수 있는
표준현 규격을 특징으로 하며 설치 방식에 따라
수평형인 벽걸이 방식과
천장걸이 방식인 종형방식
그리고 라디에이터 방식인 캐비넷 방식으로 분류 된답니다.

또 열원에 따라 분류하기도 하는데요
스팀을 이용한 증기형 유닛히터
온수를 이용한 온수유닛히터
전기로만 사용할 수 있는 전기 유닛히터로 나뉩니다.
그럼 일단 설치 방식형 부터 알아볼게요

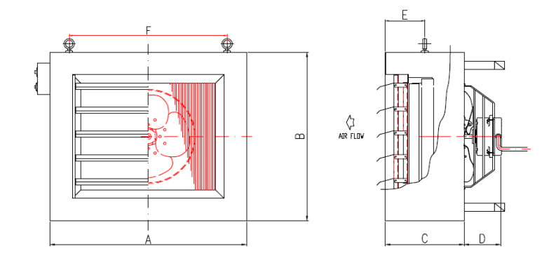
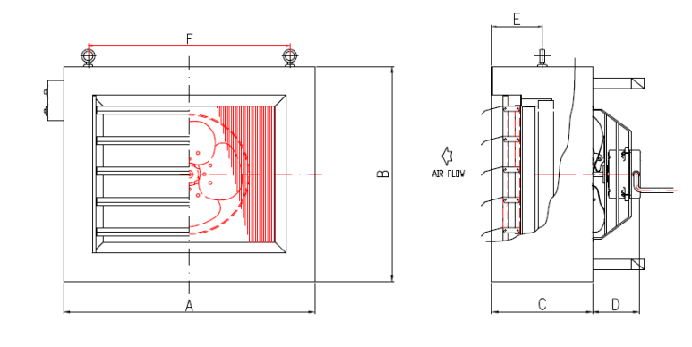
1. 벽형(수평형)
일반적으로 많이 사용되는 타입의 유니트 히터로 원하시는 열량에 따라 구매가 가능 합니다.
풍량이 수평 및 대각선 방향으로 공기 취출이 가능하며,
풍향을 상하로 조절 할 수 있는 루버가 부착되여 원하는 방향으로 보낼 수 있는 장점이 있습니다.

설치 방법을 많이 묻고 계셔서
설치 예시 사진 추가로 들고 왔답니다
에어컨처럼 틀이나 받침으로 하는 경우가 가장 많이 있습니다.

* SPECIFICATION & DIMENSION
사양 훑어 보시고